Jest mi niezmiernie miło przedstawić Wam nowy cykl na blogu Paula pyta, Architekt radzi. Projekt i konsultacje architektoniczne była na mojej liście must have przy budowie domu. I już po pierwszych etapach współpracy, wiem, iż to świetnie zainwestowane pieniądze.
Do współpracy zaprosiłam Architekt Justynę Janiuk, autorkę bloga Już ja Was urządzę! W trakcie pierwszej rozmowy ustaliłyśmy, że niezłym pomysłem byłoby stworzenie z naszych działań cyklu dla Was- Czytelników. Po pierwsze, bo i tak towarzyszcie mi i Mariuszowi w BUDOWIE DOMU, tutaj na blogu oraz na Youtube, a ponadto, może będziecie mogli wyciągnąć swoje lekcje i wnioski z naszych działań.
Jak w każdej współpracy kluczowa jest komunikacja, ale nie tylko. Uważam, że olbrzymie znaczenie na wpływ i tempo prac przy projekcie, ma nasza decyzyjność, świadomość wyboru. Mówiąc kolokwialnie, „wiemy, czego chcemy”. Ten wątek poruszałam już we wpisie „10 RZECZY, których nie będzie w naszym domu”.
Cykl Paula pyta, Architekt radzi pokażemy Wam w formie studium przypadku, abyście mogli wyciągnąć z niego, jak najwięcej dla siebie. Zaczynamy!
Jaką chcielibyśmy mieć łazienkę? Nasze potrzeby
Kim jesteśmy i czego potrzebujemy?
Ja i Mariusz nadal jesteśmy na etapie życia, w którym dużo pracujemy. Mimo zbliżającego się powitania nowego członka rodziny, nie planujemy przerwy w aktywności zawodowej. Łazienka musi być takim miejscem, z którego oboje możemy skorzystać i które jest wygodne.
Z uwagi na mój stan zdrowia (przeszłam liczne operacje), wanna nie jest wymarzonym rozwiązaniem do łazienki. Mariusz to wysoki mężczyzny i wanna wraz z wymarzonym prysznicem, nie zmieści się w tym pomieszczeniu.
Na liście naszych potrzeb jest więc: wygodny prysznic bezbrodzikowy, oczywiście toaleta, ale także bidet, duża umywalka, miejsce na retro mebel.
Definitywnie rezygnujemy z wanny oraz pralki w łazience.
Architekt Justyna:
Najważniejszy etap projektowania mamy właściwie za sobą – Paula rozpoznała swoje potrzeby i zdefiniowała, co jest dla niej ważne, a co nie. Podczas urządzania mieszkania, czy domu chętnie ulegamy przesadzie – w efekcie w niektórych domach można znaleźć wielkie narożne wanny, o których przypominamy sobie wyłącznie podczas sprzątania łazienki.
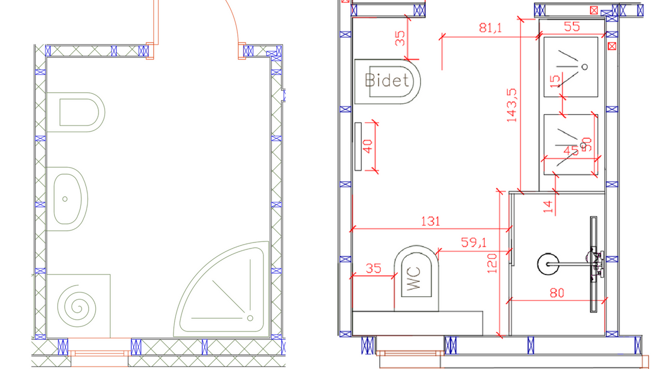
Projekt oryginalny łazienki- co jest źle?
W oryginalnym projekcie w łazience miała stanąć pralka – dobrze, że Paula trzymała rękę na pulsie! W domu przewidziano przecież pomieszczenie gospodarcze, zaraz obok kuchni. Wystarczyło przeciągnąć do niego rury wodociągowe i kanalizacyjne, żeby wygospodarować wygodne miejsce na pralkę. Nie wyobrażam sobie, żeby mogło być inaczej. Szczególnie, że w domu przewidziana jest tylko jedna łazienka. Wyobrażacie sobie relaks przy odgłosach wirującej pralki?
Oryginalny projekt łazienki zaproponowany przez architekta domu nie jest optymalny. Przede wszystkim w oczy razi ilość niewykorzystanej przestrzeni. Te same sprzęty mogłyby się przecież zmieścić w łazience o połowie mniejszej powierzchni! Boli też malutki prysznic (jak na możliwości przestrzeni, które mamy), brak bidetu i drzwi, które nie są ulokowane na środku, przez co miejsce naprzeciwko toalety jest martwe. Spokojnie – dopiero zaczynamy.
Po drodze do ostatecznego projektu powstało sporo koncepcji – jedne bardziej trafne, inne mniej. Celowo jednak nie pomijamy tego procesu i odkrywamy wszystkie karty, przede wszystkim dlatego, żeby pokazać Wam, że nie zawsze pierwsza wersja jest tą najlepszą.
Debatując z Paulą na temat łazienki doszłyśmy do kilku wniosków:
– w łazience nie będzie pralki
– musimy znaleźć miejsce na bidet
– jedna umywalka to za mało, szukamy miejsca na dwie, tak by mogła razem z mężem korzystać w tym samym czasie z łazienki
– prysznic narożny jest za mały
– wybieramy miskę ustępową podwieszaną na stelażu
– w łazience musi znaleźć się miejsce na retro mebel
Projektowanie łazienki- fazy wprowadzanych zmian
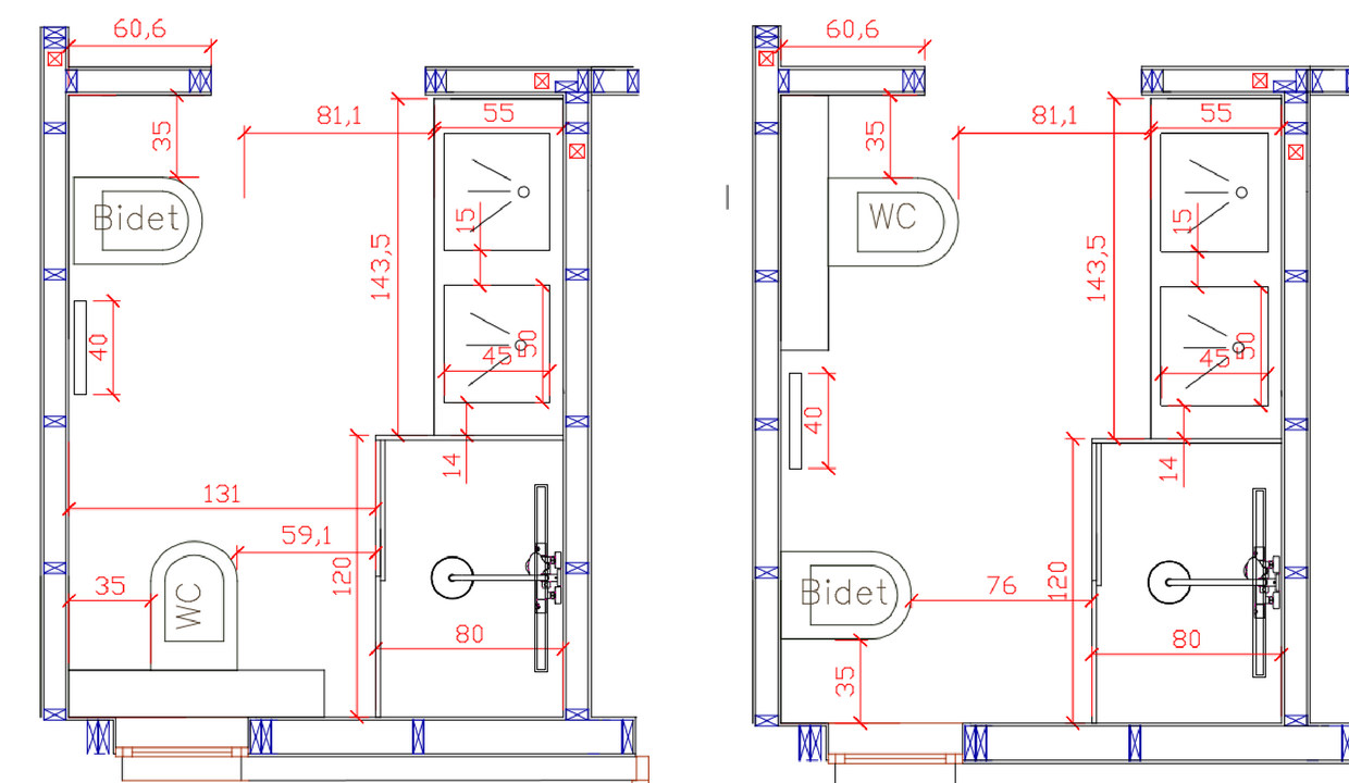
Pierwszą zmianą było przesunięcie drzwi – dzięki temu wykorzystujemy teraz obie strony łazienki. Ta zmiana pozostała z nami przez wszystkie koncepcje.
Nie zmieniałyśmy umiejscowienia prysznica, ale zdecydowałyśmy się powiększyć go – teraz jest on prostokątem o wymiarach 120x80cm. Zaraz obok niego zaplanowałyśmy dużą szafkę z dwiema umywalkami ( zgodnie z wymaganiami Pauli), a naprzeciwko niej – bidet. Miska ustępowa znalazła swoje miejsce na krótszej ścianie toalety, zaraz obok prysznica.
Wydawałoby się, że wszystko gra, prawda? Mimo wszystko uznałyśmy, że nie jest to rozwiązanie idealne. Dlaczego?
W łazience zrobiło się trochę ciasno. Szczególnie w części między prysznicem a WC, gdzie pozostało tylko 60cm przejścia. Brakuje też miejsca na dodatkowy mebel. Jeśli umieściłybyśmy go obok bidetu, to korzystanie z toalety stałoby się mało komfortowe. Poza tym, pozostają kwestie estetyczne, projekt jest mało symetryczny, przez co sprawia wrażenie zabałaganionego.
Dalsze zmiany nad funkcjonalnym układem łazienki
Jednak im dłużej przyglądałyśmy się temu projektowi, tym bardziej upewniałyśmy się w myśli, że możemy jeszcze nad nim popracować. Co więc nie grało?
Znów nie przewidziałyśmy odpowiedniej ilości miejsca na retro mebel, Mogłybyśmy wprawdzie ustawić go pod grzejnikiem, ale wtedy miski (ustępowa i bidetowa) po obu stronach mebla wyglądałyby, jak krzesła. To z pewnością nie robiłoby dobrego wrażenia. Warto też zwrócić uwagę że głęboka zabudowa stelaża spowodowała, że toaleta wysunęła się poza linię ściany.
Finalny projekt małej łazienki w domu
Toaleta oraz bidet wreszcie znalazły swoje miejsce obok siebie. Takie ustawienie jest nie tylko wygodne w użytkowaniu, ale i zdecydowanie bardziej estetyczne. Obie misy umiejscowiłam na zabudowie stelaża, dzięki temu unikniemy niewygodnych w eksploatacji i aranżacji uskoków. Warto zwrócić uwagę, ze przed tymi sprzętami pozostawiłyśmy dużo przestrzeni na „manewry” – to bardzo ważna sprawa! W związku z tą zmianą musiałyśmy pomniejszyć szafkę pod umywalkę, teraz ma ona 120cm szerokości. Mniejsza szafka wymusiła na nas z kolei nietypowe podejście do tematu umywalki. Dwie, o standardowym wymiarze, nie zmieściłyby się w tej szerokości, dlatego postawiłyśmy na jedną, dużą umywalkę, do której zaplanowałyśmy dwa krany. To oryginalne, ale i bardzo wygodne rozwiązanie!
Zdecydowałyśmy się również na powiększenie prysznica do 140cm szerokości. W ten sposób zyskałyśmy naprawdę wygodną kabinę, mimo jej niewielkiej głębokości. Bezpośrednio przy prysznicu powstało miejsce na dodatkowy mebel – może to być retro komoda, regał lub stelaż na wanienkę dla dziecka. Jak znam Paulę, na pewno nie raz zaskoczy nas ciekawym meblem w tym miejscu!
Udało się osiągnąć optymalny układ sprzętów. Ale to nie koniec – Paula musi pamiętać jeszcze o kilku sprawach:
– aby toaleta i bidet nie wchodziły w światło drzwi, należy wybrać stelaż z serii slim – na rynku dostępne są już stelaże o głębokości nawet 8cm!
– dla wygody między sprzętami powinnyśmy zachować około 20cm odstępu.
– Paula planuje zamontowanie umywalki na meblu retro, bardzo ważne jest, by wysokość takiej komody wynosiła około 85cm.
– dwa krany to dwa zestawy zaworków ciepłej i zimnej wody – nie można o tym zapomnieć
Bateria w prysznicu umiejscowiona jest nietypowo – na dłuższej ściance. Spowodowane to było faktem, że nie mogłyśmy zaplanować instalacji wodociągowej w zewnętrznej ścianie budynku. Rozważałyśmy kilka opcji powieszenia słuchawki: na dłuższej ściance, w rogu, albo na krótszej, używając długiego węża. Ostatecznie zdecydowałyśmy się na standardowe rozwiązanie, powieszenie słuchawki na innej ścianie niż bateria. Żeby zwiększyć maksymalnie wygodę korzystania z prysznica, zaplanowałyśmy również deszczownicę. Ponieważ Mariusz to rosły mężczyzna, bardzo ważne jest zawieszenie deszczownicy na odpowiedniej wysokości – standardowy wymiar 200cm w tym wypadku się nie sprawdzi.
Jak widać przeszłyśmy przez kilka projektów, których wady ukazywały się nam dopiero po zwizualizowaniu sobie użytkowników łazienki, którzy przecież niejednokrotnie będą w łazience przebywać razem. Pozwoliłyśmy sobie na pobłądzenie po różnych rozmieszczeniach, takie podejście pozwoliło nam finalnie dojść do najlepszego rozwiązania!
![]() |
| łazienka przed wykończeniem |
Paula:
Przyznaję się szczerze, że bez pomocy architekta położyłabym tą łazienkę koncertowo! Po pierwsze zaczął gonić nas czas, który nie sprzyja podejmowaniu poprawnych decyzji. Budowa domu przyspieszyła, a musicie wiedzieć, że projekt łazienki w przypadku wybranej przez nas technologii należy dostarczyć przed wykonaniem płyty fundamentowej, bo to w niej osadzane są instalacje wodno-kanalizacyjne.
Wiele decyzji wydawało się prostych- pralka w pomieszczeniu gospodarczym, duży prysznic, czy konieczność posiadania bidetu. Jednakże kiedy przyszło rozlokować te urządzenia w, całkiem ustawnej wydawałoby się, łazience, liczba opcji i analiza potrzeb, utrudniały podjęcie finalnej decyzji.
Kilka z uwag Architekt Justyny, były konkluzjami, o których w ogóle nie pomyśleliśmy z Mariuszem- na przykład ultra niepraktyczny uskok pomiędzy misą wc, a bidetem, gdy w jednym z wariantów chciałam podwiesić na stelażu samą misę. Kolejno, wraz z decyzją, iż oba urządzenia powinny znaleźć się na stelażu, dowiedzieliśmy się o nowym rozwiązaniu typu SLIM.
Najtrudniejszą częścią było optymalne wykorzystanie przestrzeni w kabinie prysznicowej. Ponieważ nie można umiejscowić baterii na ścianie jego krótszego boku (to ściana elewacyjna i ewentualne przecieki, czy naprawy wiązałaby się z potężnymi kosztami), należało znaleźć pół-środek. I tym półśrodkiem jest bateria oraz dodatkowo deszczownica.
Z początku żałowałam rezygnacji z dwóch umywalek. Ta dla Mariusza najlepiej gdyby mogła być niewidzialna (bałaganiarz), była moim marzeniem. Ale funkcjonalność łazienki jest ważniejsza, niż poranne przepychanki do mycia zębów. Zdecydowaliśmy się więc na jedną, podwójną umywalkę, ale dwoma kranami. Takie rozwiązanie pozwoli nam z niej wspólnie korzystać.
Pozornie, może się komuś wydawać, że to puste miejsce obok kabiny prysznicowej, naprzeciwko misy wc i bidetu jest niewykorzystane. Nic bardziej mylnego. Biorę pod uwagę nasze aktualne oraz przyszłe potrzeby. Świadomie rezygnując z wanny, za którą nie przepadamy, ale biorąc pod uwagę nowego członka rodziny, z którym wprowadzimy się do domu, pozostała spora przestrzeń np. pod wanienkę na stelażu. W przyszłości, gdy dziecko dorośnie, ja wykorzystam to miejsce pod ukochany retro mebel (lub zamocuję wanienkę na macie antypoślizgowej na tym meblu). Dostaliśmy wiele uwag na temat tego, że starsze dzieci, też uwielbiają pluskać się w wannie i co my z tym faktem, zamierzamy uczynić. Cóż,niewiele 🙂 Dziecku do 4-5 roku życia, możemy wstawić wanienkę na czas kąpieli w dużej kabinie prysznicowej (140cm). A starsze zachęcać do oszczędzania wody podczas kąpieli pod prysznicem. Nie dajcie się zwariować szlagierom „Bo Wujo Rysiek mówi” lub „Większość doradza”. Wybierajcie, to, co mieści się w Waszych kryteriach potrzeb.
Bardzo się cieszę z takiego, a nie innego umiejscowienia umywalki. Teoretycznie mogła stanąć naprzeciwko bidetu i misy wc. Ale, po pierwsze, nie zmieściłaby się tam z uwagi na głębokość. Przesunięcie drzwi, dla praktycznego umiejscowienia misy wc i bidetu, na środek pomieszczenia, pozostawiły naprzeciwko tych urządzeń tylko 46,5cm głębokości. To za mało na komodę i umywalkę na niej, a zdecydowanie mało funkcjonalne rozwiązanie, jeśli dla przykładu ja myję zęby, a dziecko skorzystać na cito z wc. Duża umywalka w głębi jest też nieco doświetlona oknem w łazience (światło dzienne), a wejście do kabiny umożliwia jednoczesne mycie zębów przez jedną osobę, i prysznic drugiej osoby.
Wypracowałyśmy z Architekt Justyną funkcjonalność łazienki i jej układ, przed nami zdawałoby się “kosmetyka”, czyli jej aranżacja w konkretnych rozwiązaniach, kolorach i fakturach, a o tym poczytacie już wkrótce!
Co było dla mnie inspiracją? W jakim chciałabym iść kierunku? Coś więcej zdradzi Wam zdjęciu z salonu łazienkowego poniżej, a na resztę musicie chwilkę poczekać.
Odcinek o łazience:







